创优质品牌
中国的射频测试头
13332961974
首页
产品中心
射频测试头
射频线缆组件
射频转接器
功分器
衰减器
隔直器
射频测试线
服务领域
民用航空
航天卫星
军工雷达
民用船舶
轨道交通
暗室测量
新闻中心
公司新闻
行业动态
常见问题
关于我们
公司介绍
企业文化
合作伙伴
荣誉资质
公司环境
联系我们
▪ 首页
▪ 产品中心
▪ 服务领域
▪ 新闻中心
▪ 关于我们
▪ 联系我们
微 信
在线客服
搜索
快速链接:
民用航空
航天卫星
军工雷达
民用船舶
轨道交通
暗室测量
PCB 焊盘GSG
谷连精密机械(深圳)有限公司
首页
>
产品中心
>
射频测试头
>
PCB焊盘测试头系列
>
PCB 焊盘GSG
联系我们
产品中心
Products
菜单
射频测试头
― 射频开关测试头系列
― 射频插座测试头系列
― PCB焊盘测试头系列
射频线缆组件
― 测试仪器-屏蔽箱-射频线缆组件
― 屏蔽箱内-测试夹具-射频线缆组件
射频转接器
― SMA型转接器系列
― N型转接器系列
― 2.92型转接器系列
功分器
衰减器
隔直器
射频测试线
― 射频插座测试线系列
― 射频开关测试线系列
View large
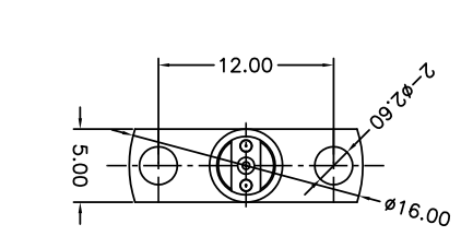
GL69550-系列
热线电话:
13332961974
联系我们
在线客服
24小时客服在线
厂家正品保障
发货时速承诺
产品介绍
产品参数
相关产品
产品介绍
产品参数
相关产品
GL65530-系列
GL65550系列
GL67530系列
上一篇:
GL67550系列
返回目录
下一篇:
无
关注微信
在线客服
在线客服
服务热线
服务热线:
13332961974
公司邮箱:
sales@goodlinker.cn
回到顶部